Skip to Content

1992 - 1993 Corvette: Recall: Power Steering Gear Inlet Hose

Estimated Reading Time: 8 Minutes

Subject: PRODUCT SAFETY CAMPAIGN 93CO2 - POWER STEERING GEAR INLET HOSE
Model and Year: 1992-93 CHEVROLET LT1 CORVETTE
Source: Chevrolet Product Safety Campaign
Bulletin Number: 93C02

To: All Chevrolet Dealers

The National Traffic and Motor Vehicle Safety Act, as amended, provides that each vehicle which is subject to a recall campaign of this type must be adequately repaired within a reasonable time after the owner has tendered it for repair. A failure to repair within sixty (60) days after tender of a vehicle is prima facie evidence of failure to repair within a reasonable time.

If the condition is not adequately repaired within a reasonable time, the owner may be entitled to an identical or reasonably equivalent vehicle at no charge or to a refund of the purchase price less a reasonable allowance for depreciation.

To avoid having to provide these burdensome solutions, every effort must be made to promptly schedule an appointment with each owner and to repair their vehicle as soon as possible. As you will see in reading the attached copy of the letter that is being sent to owners, the owners are being instructed to contact the Chevrolet Customer Assistance Center if their dealer does not remedy the condition within five (5) days of the mutually agreed upon service date. If the condition is not remedied within a reasonable time, they are instructed on how to contact the National Highway Traffic Safety Administration.

DEFECT INVOLVED

General Motors has determined that a defect which relates to motor vehicle safety exists in certain late 1992 and early 1993 Chevrolet Corvette model vehicles equipped with LT1 engines. These vehicles were assembled with a power steering gear inlet hose which may fracture. Since the fluid within this hose is under pressure, fracture of the hose could cause power steering fluid to spray out of the hose and, if an ignition source is present, an engine compartment fire could occur.

To prevent this condition from occurring dealers are to replace the power steering gear inlet hose on involved vehicles.

VEHICLES INVOLVED

Involved are certain late 1992 and early 1993 Chevrolet Corvette model vehicles built within the following VIN breakpoints:

PLANT YEAR MODEL PLANT CODE FROM THROUGH

1992 Y-Car Bowling Green 11511 N5116741 N5119977

1993 Y-Car Bowling Green 11511 P5100039 P5102533

Involved vehicles have been identified by Vehicle Identification Number Computer Listings. Computer listings contain the complete Vehicle Identification Number, owner name and address data, and are furnished to involved dealers with the campaign bulletin. Owner name and address data furnished will enable dealers to follow-up with owners involved in this campaign.

These listings may contain owner names and addresses obtained from State Motor Vehicle Registration Records. The use of such motor vehicle registration data for any other purpose is a violation of law in several states. Accordingly, you are urged to limit the use of this listing to the follow-up necessary to complete this campaign. Any dealer not receiving a computer listing with the campaign bulletin has no involved vehicles currently assigned.

OWNER NOTIFICATION

The Chevrolet Customer Assistance Center is notifying owners of this campaign action on their vehicles. Additionally, an owner letter will be mailed to these owners (see copy of owner letter included with this bulletin).

Owners of vehicles recently sold from your new vehicle inventory are to be contacted by the dealer, and arrangements made to make the required correction according to instructions contained in this bulletin.

DEALER CAMPAIGN RESPONSIBILITY

All unsold new vehicles in dealers’ possession and subject to this campaign must be held and inspected/repaired per the service procedure of this campaign bulletin before owners take possession of these vehicles.

Dealers are to service all vehicles subject to this campaign at no charge to owners, regardless of mileage, age of vehicle, or ownership, from this time forward.

Owners of vehicles recently sold from your new vehicle inventory are to be contacted by the dealer, and arrangements made to make the required correction according to instructions contained in this bulletin.

DEALER CAMPAIGN RESPONSIBILITY

In summary, whenever a vehicle subject to this campaign enters your vehicle inventory, or is in your dealership for service in the future, please take the steps necessary to be sure the campaign correction has been made before selling or releasing the vehicle.

PARTS INFORMATION

Parts required to complete this campaign are to be obtained from General Motors Service Parts Operations (GMSPO). To ensure these parts will be obtained as soon as possible, they should be ordered from GMSPO on a "C.I.O." order with no special instruction code, but on an advise code two (2).

Quantity/ Part Number Description Vehicle

26025064 Power Steering Gear Inlet Hose 1

12345866 Power Steering Fluid 1 Pint

SERVICE PROCEDURE

NOTICE:

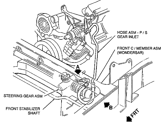
Figures on page 4 may assist in performing this repair procedure.

1. Install new power steering gear inlet hose following procedures on page 3B-6 of either the 1992 Corvette Service Manual (ST-364-92-1) or the 1993 Corvette Service Manual (ST-364-93PSID).

Notice: Be certain to leave adequate clearance between front cross-member and hose/pipe assembly. View B on page 4 illustrates proper clearance.

2. Install Campaign Identification label.

CAMPAIGN IDENTIFICATION LABEL

Each vehicle corrected in accordance with the instructions outlined in this Product Campaign Bulletin will require a "Campaign Identification Label". Each label provides a space to include the campaign number and the five (5) digit dealer code of the dealer performing the campaign service. This information may be inserted with a typewriter or a ball point pen.

CAMPAIGN IDENTIFICATION LABEL (Con’t)

Each "Campaign Identification Label" is to be located on the radiator core support in an area which will be visible when the vehicle is brought in for periodic servicing by the owner. Additional "Campaign Identification Labels" can be obtained from DAC.

Apply "Campaign Identification Label" only on a clean, dry surface.

CLAIM INFORMATION

Submit a Product Campaign Claim with the information indicated below:

FAILED PARTS CC-FC LABOR LAB OTH NET REPAIR PERFORMED PC PART NO. ALLOW OP HRS HRS AMT

Install New Power Steering Gear 1 26025064 ** SK-00 V7700 1.1 0.1 $#.## Inlet Hose

*Campaign Administrative Allowance.

**The "Parts Allowance should be the sum total of the current GMSPO Dealer Net price plus 30% of all parts required for the repair.

***The $#.## shown in the "Net Amount" column represents 1 pint of power steering fluid used in performing the required campaign repair.

Dealers will automatically receive the correct labor and material allowance based on the labor operation performed.

Refer to the Chevrolet Claims Processing Manual for details on Product Campaign Claim Submission.

Dear Chevrolet Corvette owner:

This notice is sent to you in accordance with the requirements of the National Traffic and Motor Vehicle Safety Act.

REASON FOR THIS RECALL

General Motors has determined that a defect which relates to motor vehicle safety exists in certain late 1992 and early 1993 Chevrolet Corvette model vehicles. These vehicles were assembled with a power steering gear inlet hose which may fracture. Since the fluid within this hose is under pressure, fracture of the hose could cause power steering fluid to spray out of the hose and, if an ignition source is present, an engine compartment fire could occur.

WHAT WE WILL DO

To prevent the possibility of this condition occurring, your dealer will replace the power steering gear inlet hose on your vehicle. This service will be performed for you at no charge.

WHAT YOU SHOULD DO

Please contact your Chevrolet dealer as soon as possible to arrange a service date and so the dealer may order the necessary parts for the repair. Instructions for making this correction have been sent to your dealer and parts are available. The labor time necessary to perform this service correction is approximately one hour. Please ask your dealer if you wish to know how much additional time will be needed to schedule and process your vehicle.

Your Chevrolet dealer is best equipped to obtain parts and provide service to ensure that your vehicle is corrected as promptly as possible. If, however, you take your vehicle to your dealer on the agreed service date, and they do not remedy this condition on that date or within five (5) days, we recommend you contact the Chevrolet Customer Assistance Center by calling 1-800-222-1020.

After contacting your dealer and the Customer Assistance Center, if you are still not satisfied that we have done our best to remedy this condition without charge and within a reasonable time, you may wish to write the Administrator, National Highway Traffic Safety Administration, 400 Seventh Street, S.W." Washington, D.C. 20590 or call 1-800-424-9393 (Washington D.C. residents use 366-0123).

The enclosed owner reply card identifies your vehicle. Presentation of this card to your dealer will assist in making the necessary correction in the shortest possible time. If you have sold or traded your vehicle, please let us know by completing the postage paid reply card and returning it to us.

We are sorry to cause you this inconvenience; however, we have taken this action in the interest of your safety and continued satisfaction with our products.

Chevrolet Motor Division GENERAL MOTORS CORPORATION



General Motors bulletins are intended for use by professional technicians, not a "do-it-yourselfer". They are written to inform those technicians of conditions that may occur on some vehicles, or to provide information that could assist in the proper service of a vehicle. Properly trained technicians have the equipment, tools, safety instructions and know-how to do a job properly and safely. If a condition is described, do not assume that the bulletin applies to your vehicle, or that your vehicle will have that condition. See a General Motors dealer servicing your brand of General Motors vehicle for information on whether your vehicle may benefit from the information.

 
© Copyright General Motors Corporation. All Rights Reserved
1992 - 1993 Corvette: Recall: Power Steering Gear Inlet Hose

Get notified when new articles are added to the knowledge base.

Powered by PHPKB (Knowledge Base Software)